Contacteaza-ne: 0755397267 Suntem o echipă pasionată de aplicațiile industriale și devotată sprijinirii clienților noștri prin furnizarea de echipamente Electro-Mecano-Hidraulice de Calitate Ridicată.

DISTRIBUITOR HIDRAULIC 40Lpm cu 7 comenzi

EMH
1.488,00 RON 1.238,00 RON

Debit: 40 lpm

In stoc

Durata de livrare: 5

Limita stoc
Adauga in cos
Cod Produs: C216 Ai nevoie de ajutor? +40755397267
Adauga la Favorite Cere informatii
  • Descriere
  • Caracteristici
  • Review-uri (0)
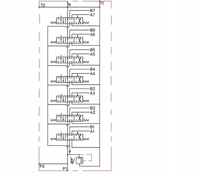
DISTRIBUTOR HIDRAULIC CU 7 SECȚIUNI P40
CONTROLAT DE 7 MANETE
Denumire completa: DISTRIBUTOR HIDRAULIC CU 7 SECȚIUNI 40L 07P40 7xA1 GKZ1

Cod produs: Q40/7

Înlocuitor pentru: 07P40 7xA1 GKZ1

Aplicații:

Utilizat pe scară largă în sistemele hidraulice din agricultură, horticultură, silvicultură, construcții și industrie.

Supapa de control este potrivită pentru diverse tipuri de utilaje, cum ar fi utilaje agricole, tractoare, pulverizatoare, agricultori, încărcătoare HDS, utilaje de construcții, încărcătoare, excavatoare, mături, utilaje industriale și alte echipamente controlate hidraulic.

Specificații tehnice:

Debit de ulei recomandat pentru sistem: 0 - 40 l/min.
Exemplu de control: șapte cilindri cu dublă acțiune.
Poate fi conectat în serie la un sistem existent (este necesar furtun de presiune).
Se poate adăuga un capac.

Control:

Toate pârghiile au trei poziții (1 - 0 - 2), acționate de arc, ceea ce înseamnă că revin în poziția verticală:
Poziția 0, neutru (pârghie poziționată vertical), tija cilindrului este staționară - uleiul curge spre preaplin.
Poziția 1, de lucru (pârghie poziționată diagonal înainte), tija cilindrului se extinde.
Poziția 2, de lucru (pârghie poziționată diagonal înapoi), tija cilindrului se retrage. Conexiuni:
Alimentare pompă (P1, P2): filet interior BSP 1/2"
Retur rezervor (T1, T2): filet interior BSP 1/2"
Secțiuni (A1, A2, A3, A4, A5, A6, A7; B1, B2, B3, B4, B5, B6, B7): filet interior BSP 3/8"
Conexiune serială (N): filet interior BSP 1/2"
Informatii conformitate produs

Debit Maxim: 40

Daca doresti sa iti exprimi parerea despre acest produs poti adauga un review.

Review-ul a fost trimis cu succes.

Suport clienti 9:00 - 16:30

+40755397267 emhindustry@gmail.com

Compara produse

Trebuie sa mai adaugi cel putin un produs pentru a compara produse.

A fost adaugat la favorite!

A fost sters din favorite!